Типовые варианты и практическое применение частотно-регулируемого электропривода
Групповой электропривод
Если к преобразователю частоты подключено 2 и более электродвигателей, такой электропривод называется групповой. В данном случае преобразователь частоты (ПЧ) должен работать в режиме U/f (скалярный режим). Примером такого применения может быть аппарат воздушного охлаждения (АВО).
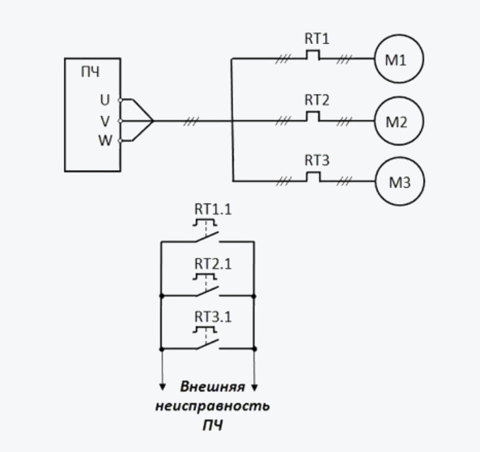
Управление группой электродвигателей происходит синхронно, скорость вращения каждого из них будет определяться выходной частотой ПЧ. Каждый двигатель необходимо подключить через тепловое реле в соответствии с номинальным током двигателя. Исполнительные контакты каждого реле необходимо объединить:
- параллельно, если используются НО контакты;
- последовательно, если используются НЗ контакты.
Сформированную таким образом объединенную контактную группу следует использовать для остановки ПЧ в случае срабатывания теплового реле.
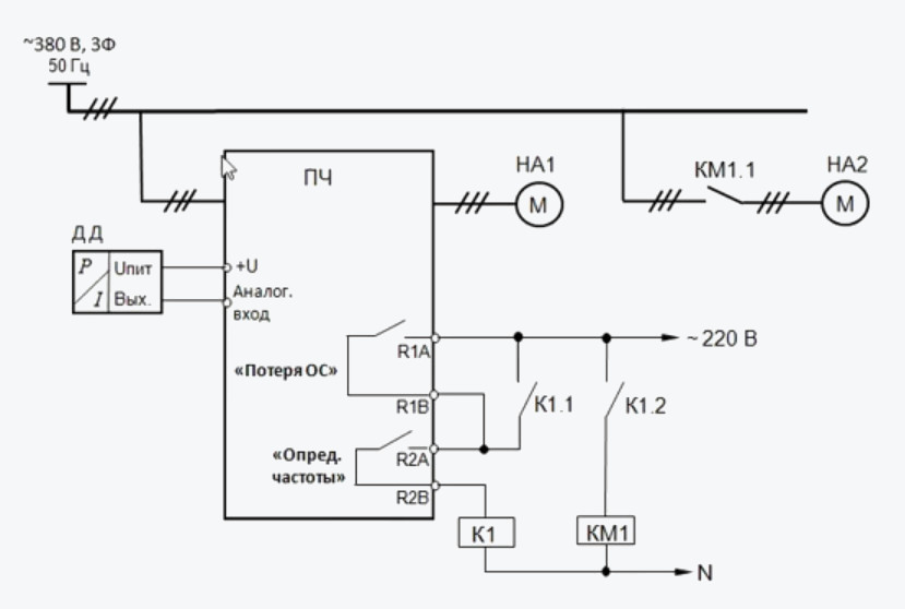
Групповой электропривод (структурная схема)
Выбор преобразователя частоты для такого электропривода производится из условий:
1,5 х Iпч ≥ Nдв х Iдв,
где:
Iпч — номинальный ток ПЧ;
Nдв — количество электродвигателей в групповом приводе;
Iдв — номинальный ток одного двигателя.
Т.е. преобразователь частоты должен иметь гарантированный полуторакратный запас по номинальному току — относительно суммарного тока всех электродвигателей в групповом приводе.
Управление двумя насосами
- Нередко, если в системе водоснабжения расход воды изменяется в очень широких пределах (в зависимости от нужд потребителя), а применение одного мощного насосного агрегата экономически нецелесообразно, используется два насоса. В этом случае применение преобразователя частоты позволяет реализовать простейшую автоматическую станцию управления двумя насосными агрегатами, а также поддерживать заданное давление в напорном трубопроводе.
- В такой станции один насосный агрегат постоянно подключен к ПЧ, другой — к сети электропитания по необходимости. И эту необходимость определяет преобразователь частоты.
- ПЧ должен иметь встроенный ПИД-регулятор и два дискретных (релейных) многофункциональных выхода.
Управление двумя насосами (структурная схема)
Алгоритм управления такой станции реализован на базе типовых функций и параметров программирования, которые имеются в преобразователях Веспер:
- «Определение частоты выше указанной» (функция дискретного выхода) — определяет момент отключения дополнительного насоса.
- «Потеря сигнала обратной связи» (функция дискретного выхода).
- «Определение потери сигнала обратной связи» (защитная функция ПИД-регулятора) — определяет момент включения дополнительного насоса.
Связанные с этими функциями параметры программирования:
- «Указанная частота» (Fук) — значение обычно выбирается из диапазона 20…30 Гц.
- «Уровень определения потери сигнала обратной связи» — определяет необходимость включения дополнительного насоса.
- «Время задержки определения потери сигнала обратной связи (Тзад)» — выбирается из условия:
Тзад ≥ Fук/Fмакс х Тразг,
где:
Fук — «указанная частота»;
Fмакс — максимальная выходная частота ПЧ (обычно 50 Гц);
Тразг — параметр времени разгона.
Работает такая станция следующим образом:
- При подаче на преобразователь частоты команды «ПУСК» начинается разгон электродвигателя первого насосного агрегата НА1 до частоты 50 Гц, работа продолжается до достижения в системе заданного давления. После этого ПЧ1 снижает выходную частоту и переходит в режим поддержания давления. Как правило, в процессе работы значение выходной частоты ПЧ больше значения «Указанной частоты» и, пока это условие сохраняется, дискретный выход R2 включен (клеммы R2А и R2B замкнуты контактами внутреннего реле).
- Если за время задержки определения потери обратной связи от момента пуска преобразователя частоты заданное давление установилось, ПЧ будет поддерживать давление на заданном уровне самостоятельно, без включения второго насоса.
- Если за время задержки определения потери обратной связи от момента пуска ПЧ заданное давление не установилось, т.е. сигнал обратной связи от датчика давления меньше уровня определения потери сигнала обратной связи, то по истечении времени задержки определения потери обратной связи включается дискретный выход R1 (клеммы R1А и R1В замкнуты контактами внутреннего реле).
- Таким образом, через группы контактов R1 и R2 подается питание на внешнее реле К1, которое одной своей группой контактов управляет магнитным контактором КМ1, включения насосного агрегата НА2, а другой — шунтирует дискретный выход R1.
- Теперь в работу включается второй насосный агрегат (напрямую к питающей сети), и насосы НА1 и НА2 будут работать вместе, причем производительностью НА1 будет управлять ПЧ по сигналу датчика давления.
- Если расход воды уменьшается, ПЧ снижает значение выходной частоты. Когда выходная частота достигнет значения «Указанной частоты» (Fук), дискретный выход R2 выключится, реле К1 обесточится и отключит магнитный контактор КМ1. Насосный агрегат НА2 будет выведен из работы, а преобразователь частоты продолжит регулирование и поддержание давления на заданном уровне, управляя насосным агрегатом НА1.
- При увеличении расхода воды процесс повторится.
- Программирование и настройка режима ПИД-регулирования в ПЧ производится обычным для типового применения образом.
- Чтобы исключить при включении второго НА2 гидравлические удары и броски тока, вместо магнитного контактора КМ1 можно использовать любое устройство плавного пуска (в том числе и преобразователь частоты).
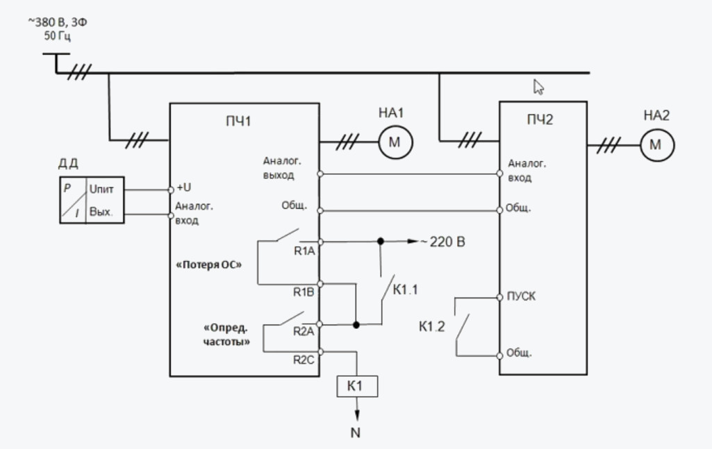
Управление двумя насосами «Ведущий/ведомый»
- В этой схеме добавлен ПЧ для дополнительного насосного агрегата НА2. Заданная частота (скорость вращения) для ПЧ определена внешним аналоговым сигналом, источником которого является ПЧ основного (НА1) насосного агрегата. ПЧ основного НА работает в режиме ПИД-регулирования, а ПЧ дополнительного НА — в режиме прямого управления по сигналу аналогового выхода ПЧ основного НА.
- Алгоритм работы такой станции аналогичен рассмотренному ранее. Реле К1 в данном случае управляет уже не магнитным пускателем насосного агрегата НА2, а определяет команду «ПУСК» ПЧ дополнительного насосного агрегата НА2. Когда определена необходимость запуска дополнительного НА, на реле К1 подается питание, и его контакты К1.2 подают внешнюю команду «ПУСК» на ПЧ дополнительного НА.
- На аналоговом выходе ПЧ основного НА присутствует напряжение постоянного тока, определяемое текущим значением его выходной частоты, т. к. он находится в режиме активной работы. Это напряжение подается на аналоговый вход ПЧ дополнительного НА и является для него внешним сигналом основного задания частоты.
- Таким образом, после получения команды «ПУСК», ПЧ дополнительного НА начинает работать на такой же частоте, как и ПЧ основного НА, и, пока есть необходимость работы дополнительного НА, оба ПЧ будут работать практически синхронно, поддерживая требуемое давление в напорном трубопроводе.
- В отличие от предыдущего варианта управления двумя насосами, данный вариант позволяет более гибко настраивать работу станции управления, свести к минимуму гидравлические удары и броски электрического тока при коммутации дополнительного НА.
Автоматический ПУСК при подаче питания
Бывают случаи, когда необходимо запустить ЧРП без непосредственного участия человека. Например, при перебоях с электропитанием. В этом случае возможности ПЧ позволяют организовать автоматический пуск при подаче питания.
В преобразователях частоты Веспер предусмотрены типовые функции:
- «Выбор источника команды ПУСК» (местный пульт управления/внешняя команда).
- «Перезапуск при кратковременном пропадании питания» (запрещен/разрешен).
- «Автоматический пуск при подаче питания» (запрещен/разрешен).
- «Задержка автоматического пуска при подаче питания».
Программирование соответствующих параметров, указанных функцией, реализует данный режим работы ПЧ.
Подобный режим возможен только при наличии внешнего сигнала команды «ПУСК» ПЧ. В простейшем случае — это перемычка между клеммой дискретного входа с функцией «ПУСК/СТОП» и общей клеммой дискретных выходов.
В процессе эксплуатации ПЧ может возникнуть необходимость настройки его параметров (программирование) и выполнения нескольких циклов «ПУСК/СТОП». Для удобства в данном случае вместо перемычки рекомендуется установить тумблер, где замкнутое («включено») состояние контактов тумблера соответствует команде «ПУСК» ПЧ, а разомкнутое («выключено») — команде «СТОП» ПЧ. После завершения наладочных работ тумблер переводится в состояние «включено», и ПЧ остается в штатном режиме работы.
Работа с фиксированными скоростями
Рассмотрим пример формирования 4 фиксированных скоростей. Для аппаратной реализации потребуется 2 дискретных входа с функциями фиксированных скоростей.
Для двух дискретных входов возможны 4 комбинации их состояния:
1) Оба выключены.
2) Вход 1 включен, вход 2 выключен.
3) Вход 1 выключен, вход 2 включен.
4) Оба выключены.
Каждой комбинации соответствует конкретный параметр частоты, значение которого определяет ту или иную скорость вращения электродвигателя.
Далее представлена схема формирования фиксированных скоростей и временные диаграммы.
Если S2 и S3 выключены (команды фиксированных скоростей не поданы), скорость вращения двигателя будет определяться основным заданием частоты (скорость 1).
При включении S2 будет подана команда скорости 2. При выключении S2 и включении S3 — команда скорости 3. При одновременном включении S2 и S3 будет подана команда скорости 4.
Количество фиксированных скоростей определяется возможностями преобразователя частоты.
«Компания Веспер» осуществляет полный цикл работ от проектирования до запуска силовой преобразовательной техники. Благодаря собственному производству и запатентованным разработкам специалисты компании могут расширять ассортимент предлагаемой продукции, адаптируя ее к потребностям заказчика.
