Доставка завтра - 390 ₽
Общепромышленные векторные преобразователи частоты со встроенным PLC
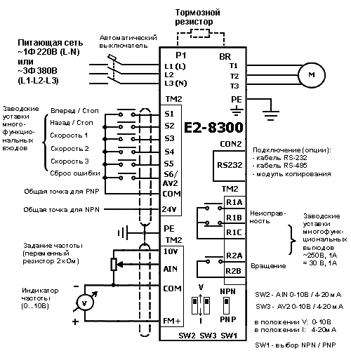
Технические характеристики
- Диапазон мощностей 0,4 кВт – 55 кВт
- Выходная частота 0,1 – 400 Гц
- Полная защита двигателя
- Векторное управление без обратной связи
- Встроенный ПИД-регулятор
- Встроенный PLC контроллер
- Программирование группы преобразователей с помощью модуля копирования
- Аналоговые и цифровые входы/выходы для регулирования и дистанционного управления
- Возможность дистанционного управления и мониторинга по RS-232/RS-485 (протокол MODBUS)
- Встроенный ЭМИ фильтр класса А
- Питание 220/380 В, 50 Гц
Преимущества частотного преобразователя Е2-8300
- Встроенные PLS контроллер, ЭМИ фильтр, и ПИД регулятор, позволяющие частотнику работать по заданной программе и расширяющие спектр его применения в автоматизированных системах
- Упрощенный съемный пульт управления с возможностью выноса на расстояние до пяти метров
- Наличие модуля копирования для переноса настройки с одного преобразователя на другой
- Наличие линии связи с компьютером посредством модуля RS-485
Основные преимущества «Компании Веспер»
- отечественный производитель
- оперативная техническая поддержка
- гарантия на продукцию 3 года;
- бесплатная доставка по России до терминала транспортной компании
- постоянное наличие товара на складе
- бесплатное обучение пользователей
- наличие сервисных центров оперативного ремонта во многих регионах страны
Е2-8300 представляет собой малогабаритный векторный преобразователь частоты без обратной связи, способный работать как в режиме с повышенной точностью регулирования скорости вращения электродвигателя (±0,5 %, векторный режим), так и с обычной точностью регулирования скорости в диапазоне до ±2 % (скалярный режим, по соотношению U/f).
Таким образом, Е2-8300 частотник является неотъемлемой частью систем управления как высокоточным техническим оборудованием, так и механизмами общепромышленного применения (насосы, вентиляторы, транспортеры, конвейеры и др.).
«Компания Веспер» предлагает купить частотный преобразователь 55 кВт. Доставка осуществляется по Москве и регионам РФ. Позвоните по телефону +7-495-258-00-49, и наши менеджеры предоставят вам подробную консультацию по выбору модификации модели.
Для покупки товара в нашем интернет-магазине выберите понравившийся товар и добавьте его в корзину. Далее перейдите в Корзину и нажмите на «Оформить заказ» или «Быстрый заказ».
Когда оформляете быстрый заказ, напишите ФИО, телефон и e-mail. Вам перезвонит менеджер и уточнит условия заказа. По результатам разговора вам придет подтверждение оформления товара на почту или через СМС. Теперь останется только ждать доставки и радоваться новой покупке.
Оформление заказа в стандартном режиме выглядит следующим образом. Заполняете полностью форму по последовательным этапам: адрес, способ доставки, оплаты, данные о себе. Советуем в комментарии к заказу написать информацию, которая поможет курьеру вас найти. Нажмите кнопку «Оформить заказ».
Оплачивайте покупки удобным способом. В интернет-магазине доступно 3 варианта оплаты:
- Наличные при самовывозе или доставке курьером. Специалист свяжется с вами в день доставки, чтобы уточнить время и заранее подготовить сдачу с любой купюры. Вы подписываете товаросопроводительные документы, вносите денежные средства, получаете товар и чек.
- Безналичный расчет при самовывозе или оформлении в интернет-магазине: карты Visa и MasterCard. Чтобы оплатить покупку, система перенаправит вас на сервер системы ASSIST. Здесь нужно ввести номер карты, срок действия и имя держателя.
- Электронные системы при онлайн-заказе: PayPal, WebMoney и Яндекс.Деньги. Для совершения покупки система перенаправит вас на страницу платежного сервиса. Здесь необходимо заполнить форму по инструкции.
Экономьте время на получении заказа. В интернет-магазине доступно 4 варианта доставки:
- Курьерская доставка работает с 9.00 до 19.00. Когда товар поступит на склад, курьерская служба свяжется для уточнения деталей. Специалист предложит выбрать удобное время доставки и уточнит адрес. Осмотрите упаковку на целостность и соответствие указанной комплектации.
- Самовывоз из магазина. Список торговых точек для выбора появится в корзине. Когда заказ поступит на склад, вам придет уведомление. Для получения заказа обратитесь к сотруднику в кассовой зоне и назовите номер.
- Постамат. Когда заказ поступит на точку, на ваш телефон или e-mail придет уникальный код. Заказ нужно оплатить в терминале постамата. Срок хранения — 3 дня.
- Почтовая доставка через почту России. Когда заказ придет в отделение, на ваш адрес придет извещение о посылке. Перед оплатой вы можете оценить состояние коробки: вес, целостность. Вскрывать коробку самостоятельно вы можете только после оплаты заказа. Один заказ может содержать не больше 10 позиций и его стоимость не должна превышать 100 000 р.
Дополнительная вкладка, для размещения информации о магазине, доставке или любого другого важного контента. Поможет вам ответить на интересующие покупателя вопросы и развеять его сомнения в покупке. Используйте её по своему усмотрению.
Вы можете убрать её или вернуть обратно, изменив одну галочку в настройках компонента. Очень удобно.
